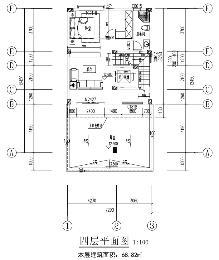
12-10 10:16 80≤&<100平:面宽7米 0 评论 0 喜欢 分享 S】 这个人很懒,还没有简介 查看TA的全部内容 +关注 卓林报建 去发现更多有趣内容 微信扫码打开卓林报建小程序 体验更多「卓林报建」新功能 评论 0 我也来讲两句
评论 0